LIVE: κίνηση στους δρόμους
Εξουσιοδοτημένοι αντιπρόσωποι - Συνεργάτες MotoΤρίτη
BMW: Ετοιμάζει πυρετωδώς τον «ηλεκτρικό» boxer
BMW: Ετοιμάζει πυρετωδώς τον «ηλεκτρικό» boxer
BMW: Ετοιμάζει πυρετωδώς τον «ηλεκτρικό» boxer
BMW: Ετοιμάζει πυρετωδώς τον «ηλεκτρικό» boxer
BMW: Ετοιμάζει πυρετωδώς τον «ηλεκτρικό» boxer
  • BMW: Ετοιμάζει πυρετωδώς τον «ηλεκτρικό» boxer
  • BMW: Ετοιμάζει πυρετωδώς τον «ηλεκτρικό» boxer
  • BMW: Ετοιμάζει πυρετωδώς τον «ηλεκτρικό» boxer
  • BMW: Ετοιμάζει πυρετωδώς τον «ηλεκτρικό» boxer
  • BMW: Ετοιμάζει πυρετωδώς τον «ηλεκτρικό» boxer

BMW: Ετοιμάζει πυρετωδώς τον «ηλεκτρικό» boxer

Διαβάστηκε από 5.957 αναγνώστες (16/6/2022)

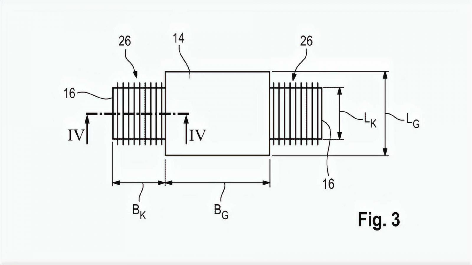
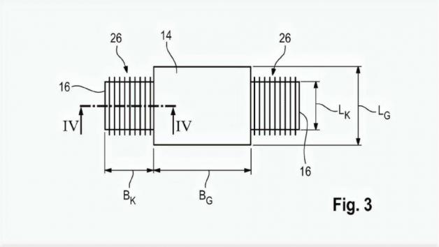
Νέα σχέδια της BMW από την κατάθεση ευρεσιτεχνίας διέρρευσαν στη δημοσιότητα, κάνοντας γνωστό πως οι Γερμανοί δουλεύουν ακόμα πάνω στη σχεδίαση ενός ηλεκτρικού boxer.

mototriti Team

BMW: Σπανός AE - Premium εμπειρία με όφελος 1.000 ευρώ και μηνιαία δόση από 89 ευρώ!

Διέρρευσαν σχέδια ευρεσιτεχνίας

Ο δικύλινδρος boxer είναι εδώ και αρκετές γενιές το σήμα κατατεθέν της BMW Motorrad, κάτι που όμως μπορεί να εκλείψει ενόψει της μετάβασης στην ηλεκτροκίνηση. Οι μηχανικοί της εταιρείας βέβαια, έχουν μια άλλη ιδέα να αξιοποιήσουν την χαρακτηριστική boxer σχεδίαση.

Αν σου άρεσε: Κοινοποίησέ το »
Σχολίασέ το, στη σελίδα μας στο Facebook »

Στο προσκήνιο το ηλεκτρικό πρωτότυπο Vision DC Roadster

Θα αναρωτηθεί κανείς, πως μπορεί ένας δικύλινδρος boxer κινητήρας να χρησιμοποιηθεί σε μία ηλεκτρική μοτοσυκλέτα; Μα φυσικά στο ρόλο του συστήματος ψύξης. Τα ηλεκτρικά οχήματα, όπως και αυτά με τους θερμικούς κινητήρες, παράγουν αρκετή θερμική ενέργεια λόγω των μπαταριών και του ηλεκτρικού μοτέρ, καθώς και κατά τη διάρκεια της φόρτισης. Για το λόγο αυτό, απαιτείται ένα σύστημα υδρόψυξης για να κρατάει τα επίπεδα των θερμοκρασιών σε χαμηλά επίπεδα. Αυτό μαρτυρούν και τα τελευταία σχέδια από τις ευρεσιτεχνίες που κατέθεσε η BMW, ενώ παλιότερα το 2019, είχαμε γνωρίσει κάτι παρόμοιο στο ηλεκτρικό πρωτότυπο Vision DC Roadster.

Αντί για κεφαλές, ψύκτρες!

Η πρόταση της BMW προτείνει αρκετές πιθανές διαμορφώσεις, που σκοπό έχουν τη βέλτιστη και πιο αποτελεσματική ψύξη του ηλεκτρικού συνόλου της μοτοσυκλέτας. Στα σχέδια λοιπόν, παρατηρούμε πως στη θέση των κεφαλών υπάρχουν ειδικά πτερύγια ψύξης που μπορούν να αποτελέσουν βασικό στοιχείο ενός συστήματος υδρόψυξης. Η θέση τους βοηθάει ακόμα περισσότερο στην καλύτερη ροή αέρα συνεπώς και αποβολή θερμότητας, ενώ βρίσκονται εξωτερικά του κινητήριο συνόλου, κάνοντας ακόμα πιο το έργο της ψύξης.

Συνέχεια του άρθρου >>>

Αν σου άρεσε: Κοινοποίησέ το »
Σχολίασέ το, στη σελίδα μας στο Facebook »

MICHELIN
AUTOAGORA