Αυτή είναι, σύμφωνα με Ιάπωνες δημοσιογράφους, η Suzuki GSX-R 750 Vision!
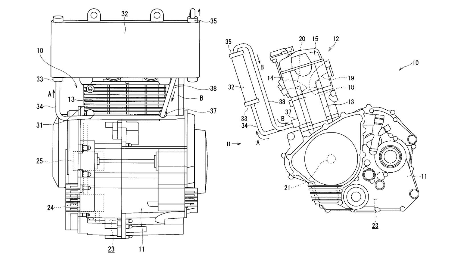
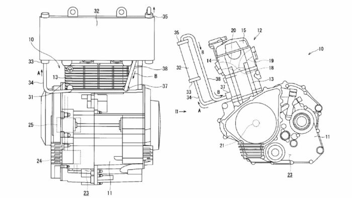
Λεπτομέρειες από τα σχέδια που κατατέθηκαν προς κατοχύρωση από την Suzuki, για τον κινητήρα του νέου μοντέλου. Δείτε τις λεπτομέρεις που προδίδουν αεροελαιόψυκτο κινητήρα!
Δείτε αυτή την εικόνα, η οποία μας έχει έρθει από την Ιαπωνία και τα Βρετανικά περιοδικά! Πριν λίγες ημέρες, σας είχαμε δείξει εικόνες βασισμένες στις πατέντες της Suzuki, στις οποίες απεικονιζόταν...δειλά δειλά, μια πανέμορφη μοτοσυκλέτα με διπλά φανάρια!
Αυτή η μοτοσυκλέτα λοιπόν, είναι υπαρκτό σχέδιο της Suzuki και, σύμφωνα με τους Ιάπωνες συναδέλφους μας, θα είναι η νέα Vision GSX-R 750! Οι πληροφορίες μιλούν για την κατοχύρωση ενός κινητήρα από την Ιαπωνική εταιρεία, ο οποίος φυσικά αφορά αυτό το μοντέλο.
Είναι εξόφθαλμη η αισθητική αναφορά του μοντέλου στα πρώτα GSX-R 750 της δεκαετίας του 80, με τους διπλούς στρογγυλούς προβολείς που...μας έβγαλαν τα μάτια! Το μοντέλο, αν όντως τελικά πραγματωθεί, φιλοδοξεί να δώσει μια νέα πνοή στο GSX-R 750, το οποίο ανέκαθεν έπαιζε ουσιαστικά χωρίς αντίπαλο.
Ένα πολύ ενδιαφέρον σημείο στην όλη ιστορία, είναι ότι η Suzuki φαίνεται να έχει πατεντάρει έναν αεροελαιόψυκτο κινητήρα, εν έτει 2016! Είναι απορίας άξιον, το πως η Suzuki θα μπορέσει να χρησιμοποιήσει έναν τέτοιο κινητήρα επιτυχώς, με τις αυστηρότατες Euro 4 προδιαγραφές...
Υπάρχει περίπτωση να ανατιναχθεί δηλαδή η συγκεκριμένη μοτοσικλέτα εξαιτίας της εκρηκτικής αισθητικής της;